Product Summary
The MIG75Q201H is a TOSHIBA Intelligent Power Module, which is Silicon N Channel IGBT.
Parametrics
MIG75Q201H absolute maximum ratings: (1)Supply voltagel: 900 V at P-N power termina; (2)Collector-emitter voltage: 1200 V; (3)Collector current: 75 A at Tc = 25℃, DC; (4)Forward current: 75 A at Tc = 25℃, DC; (5)Collector power dissipation: 600 W at Tc = 25℃; (6)Junction temperature: 150 ℃.
Features
MIG75Q201H features: (1)Integrates inverter, brake power circuits & control circuits (IGBT drive units, protection units for over-current, under-voltage & over-temperature) in one package; (2)The electrodes are isolated from case.; (3)High speed type IGBT : VCE (sat) = 3.5 V (Max), toff = 2.5 μs (Max), trr = 0.21 μs (Max); (4)Package dimensions : TOSHIBA 2-136A1A.
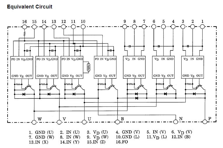
Diagrams

| Image | Part No | Mfg | Description |  | Pricing (USD) | Quantity | ||||
|---|---|---|---|---|---|---|---|---|---|---|
|  |  MIG75Q201H |  Other |  |  Data Sheet |  Negotiable |  | ||||
| Image | Part No | Mfg | Description |  | Pricing (USD) | Quantity | ||||
|  |  MIG75J101H |  Other |  |  Data Sheet |  Negotiable |  | ||||
|  |  MIG75J201H |  Other |  |  Data Sheet |  Negotiable |  | ||||
|  |  MIG75J6CSB1W |  Other |  |  Data Sheet |  Negotiable |  | ||||
|  |  MIG75J7CSA0A |  Other |  |  Data Sheet |  Negotiable |  | ||||
|  |  MIG75J7CSB1W |  Other |  |  Data Sheet |  Negotiable |  | ||||
|  |  MIG75Q201H |  Other |  |  Data Sheet |  Negotiable |  | ||||
 (China (Mainland))
 (China (Mainland)) 
                         
                        
 
                                    




