Product Summary
The CM400DY1-12E is a Mitsubishi IGBT module. The CM400DY1-12E is designed for use in switching applications. Each CM400DY1-12E module consists of two IGBTs in a half-bridge configuration with each transistor having a reverse-connected super-fast recovery free-wheel diode. All components and interconnects are isolated from the heat sinking baseplate, offering simplified system assembly and thermal management. The applications of the CM400DY1-12E are: AC Motor Control, Motion/Servo Control, UPS, Welding Power Supplies.
Parametrics
CM400DY1-12E absolute maximum ratings: (1)Collector-emitter voltage: 600 V; (2)Gate-emitter voltage: ±20V; (3)Collector current: 400A; (4)Emitter current: 400A; (5)Maximum collector dissipation: 1130W; (6)Junction temperature: -40 to +150℃; (7)Storage temperature: -40 to +125℃; (8)Isolation voltage: 2500V.
Features
CM400DY1-12E features: (1)IC: 400A; (2)VCES: 600V; (3)Insulated Type; (4)2-elements in a pack.
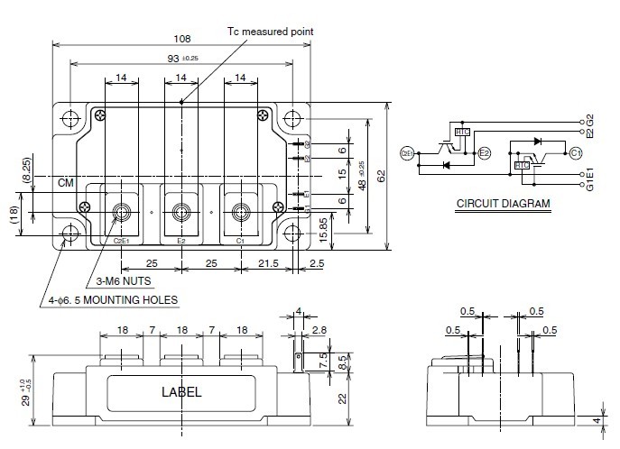
Diagrams

|  |  CM400DU-12F |  |  IGBT MOD DUAL 600V 400A F SER |  Data Sheet |  
 |  | ||||||||||||||||
|  |  CM400DU-12H |  |  IGBT MOD DUAL 600V 400A U SER |  Data Sheet |  
 |  | ||||||||||||||||
|  |  CM400DU-12NFH |  |  IGBT MOD DUAL 600V 400A NFH SER |  Data Sheet |  
 |  | ||||||||||||||||
|  |  CM400DU-24F |  |  IGBT MOD DUAL 1200V 400A F SER |  Data Sheet |  
 |  | ||||||||||||||||
|  |  CM400DU-24H |  |  IGBT MOD DUAL 1200V 400A U SER |  Data Sheet |  
 |  | ||||||||||||||||
|  |  CM400DU-24NFH |  |  IGBT MOD DUAL 1200V 400A NFH SER |  Data Sheet |  
 |  | ||||||||||||||||
 (China (Mainland))
 (China (Mainland)) 
                         
                        
 
                                    




