Product Summary
The 7MBR50SB-120 is a IGBT module designed for inverter for motor drive, AC and DC servo drive amplifier, uninterruptible power supply, etc.
Parametrics
7MBR50SB-120 absolute maximum ratings: (1)Collector-Emitter voltage for Inverter: 1200v; (2)Gate-Emitter voltage for Inverter: ±20v; (3)Collector current: IC at continuous for Inverter: 75A at Tc=25℃, 50A at Tc=80℃; ICP at 1ms: 150A at Tc=25℃, 100A at Tc=80℃; -IC: 50A; (4)Collector power dissipation for Inverter: 360w; (5)Collector-Emitter voltage for brake: 1200v; (6)Gate-Emitter voltage for brake: ±20v; (7)Collector current: IC at continuous for brake: 35A at Tc=25℃, 25A at Tc=80℃; ICP at 1ms: 70A at Tc=25℃, 50A at Tc=80℃; (8)Collector power dissipation for brake: 180w; (9)Repetitive peak reverse voltage for brake: 1600v; (10)Repetitive peak reverse voltage for converter: 1600; (11)Average output current for converter: 50A at 50HZ/60HZ sine wave; (12)Surge current (Non-Repetitive) for converter: 520A at Tj=150℃, 10ms half sine wave; (13)I2t (Non-Repetitive) for converter: 1352 A2s at at Tj=150℃; 10ms half sine wave; (14)Operating junction temperature: +150℃; (15)Storage temperature: -40 to +125℃; (16)Isolation voltage: AC 2500 v at AC : 1 minute between terminal and copper base; AC 2500 v between thermistor and others; (17)Mounting screw torque: 3.5N.m.
Features
7MBR50SB-120 features: (1)Low VCE(sat); (2)Compact package; (3)P.C. board mount; (4)Converter diode bridge, Dynamic brake circuit.
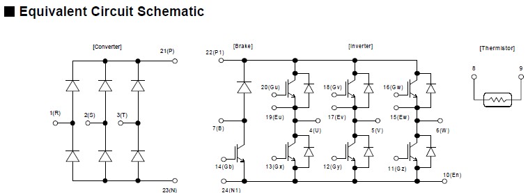
Diagrams

|  |  7MBR 10SA-120 |  Other |  |  Data Sheet |  Negotiable |  | ||||
|  |  7MBR100SB060 |  Other |  |  Data Sheet |  Negotiable |  | ||||
|  |  7MBR100SD060 |  Other |  |  Data Sheet |  Negotiable |  | ||||
|  |  7MBR100U4B120 |  Other |  |  Data Sheet |  Negotiable |  | ||||
|  |  7MBR10NE120 |  Other |  |  Data Sheet |  Negotiable |  | ||||
|  |  7MBR10SA120 |  Other |  |  Data Sheet |  Negotiable |  | ||||
 (China (Mainland))
 (China (Mainland)) 
                         
                        
 
                                    




