Product Summary
The 7MBI75N-060 is an IGBT module.
Parametrics
7MBI75N-060 absolute maximum ratings: (1)Collector-Emitter Voltage:600V; (2)Gate -Emitter Voltage:±20V; (3)Collector Current:75A; (4)Collector Power Dissipation:320W; (5)Repetitive Peak Reverse Voltage:600V; (6)Average Forward Current:1A; (7)Surge Current:50A; (8)Operating Junction Temperature:+150℃; (9)Storage Temperature:-40℃ to +125℃; (10)Isolation Voltage:2500V; (11)Mounting Screw Torque:3.5Nm; (12)Terminal Screw Torque:3.5Nm.
Features
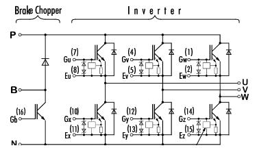
7MBI75N-060 features: (1)Including Brake Chopper; (2)Square RBSOA; (3)Low Saturation Voltage; (4)Overcurrent Limiting Function( ~ 3 Times Rated Current ).
Diagrams

![]() |
![]() 7MBI100N-060 |
![]() Other |
![]() |
![]() Data Sheet |
![]() Negotiable |
|
||||
![]() |
![]() 7MBI40N-120 |
![]() Other |
![]() |
![]() Data Sheet |
![]() Negotiable |
|
||||
(China (Mainland))








