Product Summary
The 7mbr50sd120 is a 1200V/50A/PIM IGBT module. The applications of the 7mbr50sd120 are: Inverter for motor drive, AC and DC servo drive amplifier, Uninterruptible power supply.
Parametrics
7mbr50sd120 absolute maximum ratings: (1)Operating junction temperature, Tj: +150℃; (2)Storage temperature, Tstg: -40 to +125℃; (3)Isolation between terminal and copper base, Tstg: AC 2500V; (4)voltage between thermistor and others, Viso: AC 2500V; (5)Mounting screw torque: 1.7 N·m; (6)Collector-Emitter voltage, VCES: 1200V; (7)Gate-Emitter voltage, VGES: ±20V.
Features
7mbr50sd120 features: (1)Low VCE(sat); (2)Compact package; (3)P.C. board mount; (4)Converter diode bridge, Dynamic brake circuit.
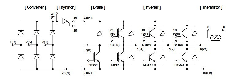
Diagrams

|  |  7MBR 10SA-120 |  Other |  |  Data Sheet |  Negotiable |  | ||||
|  |  7MBR100SB060 |  Other |  |  Data Sheet |  Negotiable |  | ||||
|  |  7MBR100SD060 |  Other |  |  Data Sheet |  Negotiable |  | ||||
|  |  7MBR100U4B120 |  Other |  |  Data Sheet |  Negotiable |  | ||||
|  |  7MBR10NE120 |  Other |  |  Data Sheet |  Negotiable |  | ||||
|  |  7MBR10SA120 |  Other |  |  Data Sheet |  Negotiable |  | ||||
 (China (Mainland))
 (China (Mainland)) 
                         
                        
 
                                    




