Product Summary
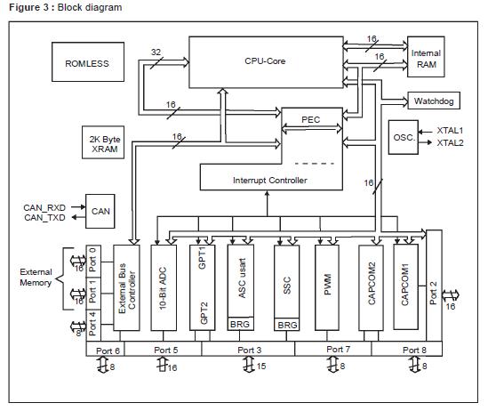
The ST10R167-Q3 is a derivative of the STMicroelectronics ST10 family of 16-bit single-chip CMOS microcontrollers. It combines high CPU performance (up to 12.5 million instructions per second) with high peripheral functionality and enhanced I/O capabilities. The ST10R167-Q3 also provides on-chip high-speed RAM and clock generation via PLL.
Parametrics
ST10R167-Q3 absolute maximum ratings: (1)Voltage on VDD pins with respect to ground: -0.5, +6.5 V; (2)VSS Voltage on any pin with respect to ground: -0.3 to VDD +0.3 V; (3)Input current on any pin during overload condition: -10, +10 mA; (4)Absolute sum of all input currents during overload condition: |100| mA; (5)Power Dissipation: 1.5 W; (6)Ambient Temperature under bias: -40, +125 ℃; (7)Storage Temperature: -65, +150 ℃.
Features
ST10R167-Q3 features: (1)high performance cpu: 16-BIT cpu with 4-stage PIPELINE, 80ns instruction cycle time @ 25MHz CLK, 400ns 16 X 16-BIT multiplication; (2)memory organization: up to 16m byte linear address space for code and data (5m byte with can), 2K byte on-chip internal RAM (IRAM); (3)fast and flexible bus: programmable external bus characteristics for different address ranges, 8-BIT or 16-BIT external data bus, multiplexed or demultiplexed external address/data buses.
Diagrams

| Image | Part No | Mfg | Description | ![]() |
Pricing (USD) |
Quantity | ||||||||||||
|---|---|---|---|---|---|---|---|---|---|---|---|---|---|---|---|---|---|---|
![]() |
![]() ST10R167-Q3 |
![]() STMicroelectronics |
![]() 16-bit Microcontrollers (MCU) ROMless 25MHz 2K RAM |
![]() Data Sheet |
![]()
|
|
||||||||||||
![]() |
![]() ST10R167-Q3/TR |
![]() STMicroelectronics |
![]() 16-bit Microcontrollers (MCU) 16B ROMLESS MCU |
![]() Data Sheet |
![]()
|
|
||||||||||||
(China (Mainland))









